高低壓設置開關柜組裝、加工和生產過程
高低壓設置開關柜組裝、加工和生產過程詳細資料由專業的低壓開關柜、低壓配電柜、低壓配電箱報價廠家為您提供。



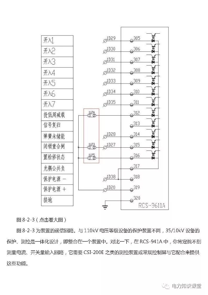
10KV開關柜圖表















(來源:電力知識類,版權屬于原作者,如有侵權請聯系刪除!)
更多選型規格報價定制等問題可及時聯系廠家,以上就是高低壓設置開關柜組裝、加工和生產過程全部內容。
高低壓設置開關柜組裝、加工和生產過程詳細資料由專業的低壓開關柜、低壓配電柜、低壓配電箱報價廠家為您提供。



10KV開關柜圖表















(來源:電力知識類,版權屬于原作者,如有侵權請聯系刪除!)
更多選型規格報價定制等問題可及時聯系廠家,以上就是高低壓設置開關柜組裝、加工和生產過程全部內容。