Ankyriasd 320高壓開關柜溫度測控裝置
Ankyriasd 320高壓開關柜溫度測控裝置詳細資料由專業的低壓開關柜、低壓配電柜、低壓配電箱報價廠家為您提供。

1.概觀
Ankyriasd 320高壓開關柜溫度測控裝置用于3 ~ 35kv戶內開關柜溫度,適用于中央柜、手車柜、固定柜、環網柜等各類柜。開關柜。它具有主回路仿真圖和開關狀態指示、高壓現場顯示、自動溫濕度控制、人體感應自動照明、語音提示、電氣參數測量和RS485通訊接口等功能。它集操作和顯示于一體。ASD系列開關柜綜合測控裝置具有主回路仿真圖和開關狀態指示、高壓現場顯示、自動溫濕度控制、人體感應自動照明、語音提示、電氣參數測量和RS485通訊接口等功能。,集操作和顯示于一體,直觀地反映機柜內組件的工作狀態和工作環境
2.型號描述

3.技術指標

4.功能配置

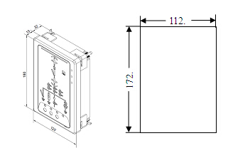
5.外觀和尺寸(單位:毫米)
5.1 ASD200、ASD300、ASD320開關柜中和測控裝置

5.2 ASD100開關柜集成測量和控制裝置

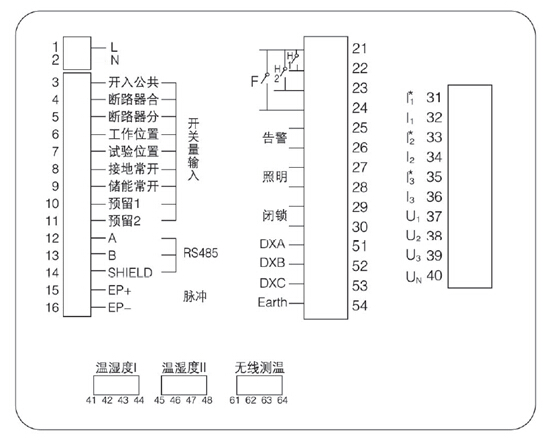
6.末端的

注:圖中所示的接線端子和編號適用于ASD產品。由于特定訂單型號或可選功能,某些終端可能不會出現在產品上。
ASD系列開關柜綜合測控裝置具有主回路仿真圖和開關狀態指示、高壓現場顯示、自動溫濕度控制、人體感應自動照明、語音提示、電氣參數測量和RS485通訊接口等功能。,集操作和顯示于一體,直觀地反映機柜內組件的工作狀態和工作環境

更多選型規格報價定制等問題可及時聯系廠家,以上就是Ankyriasd 320高壓開關柜溫度測控裝置全部內容。
- 上一篇:低壓設置開關柜電線顏色和字母標識
- 下一篇:安裝的環境條件和低壓開關柜的操作條件
